1. (a) (i) Define the term half life as applied to radioactivity.
(ii) A radioactive material has a half life of 5 minutes. If the initial mass of the material is 120 g, calculate the mass that decays after 20 minutes.
(iii) Sketch a graph of the number of atoms of a radioactive material present against time to show how the half life is determined from it.
(b) Explain the nature of the trucks of alpha particle and beta particles in air
(c) How does the passage of beta particle through an electric field differ from that of an x – ray.
2. (a) Define specific latent heat of vepourrasation of a substance
(b) (i) A calorimeter of mass 29 g and specific heat capacity 800 J kg-1 k-1 contains 5000 g of water at 300 C. Dry steam at 1000 C is passed through the water in the calorimeter until the temperature of water raises to 700C. If the specific latent heat of vaporization of water is 2,260,000 J kg-1, calculate the mass of stream condensed
(ii) Water initially at 250C was heated. Sketch a graph to show how its temperature valued with time.
(c) Describe briefly one application of evaporation
(d) (i) what is a notch?
(ii) State four ways by which damage due to notches may be prevented
(e) Why is a bicycle frame made of hollow cylindrical pipes?
3. (a) (i) What are ferromagnetic materials
(ii) Give two examples of ferromagnetic materials.
(b) (i) With the aid of a diagram describe application of an electromagnet in magnet relays.
(ii) Give one advantages of using a magnetic relay to switch electrical machinery on and off.
(c) Figure 6 shows two wires AB and DE placed parallel and close to each other, carrying currents in opposite direction.
(i) Copy the diagram and sketch the magnetic field patterns between the two wires
(ii) Show the direction of the force acting on DE at G due current in AB.
(d) Describe briefly how one can test for the polarity of a magnet.
4. (a). (i) What is the difference between vector and scalar quantities?
(ii) Give two examples of each quantity in (a) (i).
(iii) Two forces of 7 N and 9 N acts perpendicularly on a body of mass 2kg. Find the acceleration of the body.
(b) Describe an experiment to determine the centre of gravity of an irregular sheet of metal.
(c) A ball is whiled in air in a horizontal circle as shown in figure1.

(i) Copy the diagram and show on it the forces acting on the ball in position A.
(ii) Explain what happens if the string breaks when the ball is in position A.
5. (a) (i) What is meant by light ?
(ii) Describe an experiment to show that light travels in a straight line.
(b) Define the following.
(i) Power of a lens
(ii) Aperture of a lens
(c) Figure 5 shows light traveling from glass to air

Find refractive index of the glass
(d) An object 5 cm high is placed 30 cm a way from a concave lens. Find graphically the size of the image that is formed 15 cm from the lens
(e) Describe belief how short sightedness can be corrected.
6. (a) (i) Define pressure.
(ii) Explain what happens when an inflated balloon is released in air.
(b) Figure 2 shows a hydraulic press .A and B are the cylindrical positions of radii 2cm and 4 cm respectively

Calculate the maximum force at B that can be overcome by a force of 78 N applied at A.
(c ) Describe with the aid of a diagram how a force pump works
(d) (i) State the law of conservation of energy
(ii) A stone of mass 0.2 kg is thrown vertically upwards attaining maximum potential energy of 16 J. Calculate its initial velocity.
7. (a) What is meant by diffraction of wave?
(b) Figure 3 shows plane wave front C incident on a barrier with two slits

(i) Copy and sketch the wave pattern beyond the barrier.
(ii) Describes what happens if the slits are narrowed?
(c ) Explain why the speed of sound at the top of a high mountain is different from that see-level
(d) An experimenter standing between two high walls produces sound by heating two piece of wood. If the first echo is hard after 3.5 s and second echo 2 s later, find the distance between the walls
(Speed of sound in air =330 ms-1)
(e) What is meant by a standing wave?
(f) Figure 4 shows a string stretched between two bridges. When it is plucked at same point it vibrates as shown.

(i) Name the point marked R and S.
(ii) Calculate the wave length of the wave in the string.
8. (a) Define the following terms
(i) Potential difference
(ii) Internal resistance of a cell
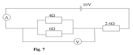
(b) A battery of emf 10 V is connected to resistors 0.6Ω , 4Ω and 6Ω as shown in figure 7

(i) Calculate the ammeter and voltmeter readings
(ii) Find the rate at which electric energy is converted to heat energy in the 6Ω resistor
(c) What is meant by a short circuit?
(i) Briefly explain how a millimeter can be adopted to measure much higher currents
(ii) State two ways of increasing the sensitivity of electrical matters.
